Мы используем cookie для наилучшего представления нашего сайта. Подробнее об этом в Политике конфиденциальности.
Ок

Череповец

Ваш город:
Череповец (Вологодская область)?
Нет
Да
Каталог
Каталог Написать в WhatsApp
Мотоэкипировка

Ручной стартер 2-х тактного ПЛМ MERCURY 25 М Серийный номер от 0N018456 до 0N055504

Ручной стартер 2-х тактного ПЛМ MERCURY 25 М Серийный номер от 0N018456 до 0N055504 в Череповце: актуальный каталог, цены, фото, описание. Купите ручной стартер 2-х тактного плм mercury 25 м серийный номер от 0n018456 до 0n055504 в кредит – оформите заявку онлайн за 1 минуту!

Оригинальные запчасти

Артикул НАИМЕНОВАНИЕ Кол-во деталей в узле Примечание Наличие Цена Аналоги Фото
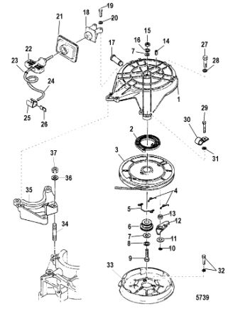
1 812632T04 Стартер ручной (+RECOIL STARTER)

Под заказ

1

Под заказ

уточнить

Купить
2 812632T01 HOUSING-STARTER

Под заказ

1

Под заказ

уточнить

Купить
3 8126451 Пружина (RATCHET)

Под заказ

1

Под заказ

уточнить

Купить
4 8126331*** Бобина стартера (REEL)

Под заказ

1

Под заказ

уточнить

Купить
5 812634005 Пружина (+TH345-05123-1 SPRING)

Под заказ

2

Под заказ

уточнить

Купить
6 8126342 Пружина (SPRING)

Под заказ

1

Под заказ

уточнить

Купить
7 853753 Направляющая втулка (STARTER SHAFT)

Под заказ

1

Под заказ

уточнить

Купить
8 8M0106739 Болт (BOLT)

Под заказ

1

Под заказ

уточнить

Купить
9 898101937 Шайба (WASHER)

Под заказ

1

Под заказ

уточнить

Купить
10 812635T01 Храповик (RATCHET)

Под заказ

1

Под заказ

уточнить

Купить
11 8537432 Втулка (BUSHING)

Под заказ

1

Под заказ

уточнить

Купить
12 952187 Штифт (ROLL PIN)

Под заказ

1

Под заказ

уточнить

Купить
13 400213 Гайка

Под заказ

1

Под заказ

уточнить

Купить
14 8537233 Шайба Гровера (LOCKWASHER)

Под заказ

1

Под заказ

уточнить

Купить
15 853757 LEVER-SHIFT INTERLOCK

Под заказ

1

Под заказ

уточнить

Купить
16 853754 GUIDE

Под заказ

1

Под заказ

уточнить

Купить
17 4000330 Болт (SCREW @5)

Под заказ

2

Под заказ

уточнить

Купить
18 161102 Пластина (SEAL PLATE)

Под заказ

1

Под заказ

уточнить

Купить
19 8126401 Рукоятка стартерной веревки (HANDLE, Starter Rope)

Под заказ

1

Под заказ

уточнить

Купить
20 16109 "O" RING, STARTER ROPE

Под заказ

1

Под заказ

уточнить

Купить
21 8126391 Стартерная веревка (STARTER ROPE)

Под заказ

1

Под заказ

уточнить

Купить
22 853755 Фиксатор (RETAINER)

Под заказ

1

Под заказ

уточнить

Купить
23 853756 Пластина (PLATE)

Под заказ

1

Под заказ

уточнить

Купить
24 953951 CLAMP

Под заказ

1

Под заказ

уточнить

Купить
25 168284 Болт (BOLT)

Под заказ

3

Под заказ

уточнить

Купить
26 812642T01 PULLEY

Под заказ

1

Под заказ

уточнить

Купить
27 8M0106733 STUD

Под заказ

2

Под заказ

уточнить

Купить
28 853758 Кронштейн (STARTER BRKT-BL)

Под заказ

1

Под заказ

уточнить

Купить
29 8537228 NUT

Под заказ

2

Под заказ

уточнить

Купить
30 8M0084273 Набор прокладок дв.блока (GASKET SET)

Под заказ

1

Под заказ

уточнить

Купить

Нулевая цена не означает отсутствие товара. Оформите заказ, и менеджер сообщит вам цену и наличие товара, предварительно запросив их у поставщика

Главная Магазины
Корзина0
Профиль